
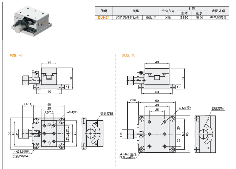
DJN31系列是一款專為高負載、高剛性需求設計的手動位移滑臺,采用強化齒輪齒條驅動結構,適用于工業自動化、重型設備定位及高精度機械調整等嚴苛應用場景。其大承載能力和穩定傳動性能可滿足長時間高強度作業需求,同時確保精準可靠的線性位移控制。

核心優勢
1.超強負載能力——采用高硬度合金鋼齒條與精密斜齒輪傳動,靜態負載最高可達150kg,動態負載80kg,適用于重型設備定位。
2.高剛性結構——加厚鑄鐵/高強度鋁合金基座搭配預緊式直線導軌,抗變形、抗沖擊,確保長期穩定運行。
3.精密調節——優化齒輪嚙合設計,重復定位精度±0.03mm,可選配高分辨率手輪刻度或數顯裝置,實現精準微調。
4.耐用可靠——齒條表面硬化處理,齒輪采用自潤滑軸承,降低磨損,延長使用壽命。
5.靈活安裝——支持水平、垂直、倒裝等多種安裝方式,并可多軸組合,適應復雜機械結構需求。



