
咨詢熱線0755-26993877
在傾斜工況下,傳統潤滑油循環可能因重力分布不均、回油困難而影響潤滑效果。實現潤滑油循環自給,需結合自帶油路、增壓/輔助回油與多路線回流設計

在現代自動化和控制系統中,直流電機因其高效和靈活的特性被廣泛應用。而編碼器則是實現電機精確控制的關鍵組件。本文將簡單介紹直流電機編碼器的精確控制原理,幫助您更好地理解其在電機控制中的重要性。

在現代自動化控制系統中,直流電機編碼器和單片機是兩個重要的組成部分。它們之間的關系密切,共同作用于提高設備的控制精度和響應速度。本文將簡要介紹這兩者的關系及其在應用中的重要性。

金屬檢測傳感器測量金屬尺寸的核心原理,在于通過感應電磁場內的金屬物質,來精準地檢測和測量這些金屬物質的特性,如尺寸、位置及電導率等。在實際操作中,傳感器會發出一個電磁場

伺服電機減速機的拆解與維修需要一定的專業知識和技能。在進行操作時,一定要注意安全,并確保更換的部件與原部件相匹配。伺服電機減速機廣泛應用于自動化設備中,其性能的穩定性直接影響到系統的運行效率。

伺服電機滑環是一種用于電機與轉動部分之間傳遞電信號和電力的裝置。它主要用于需要360度連續旋轉的系統中,能夠有效解決傳統電纜在旋轉過程中扭結、磨損的問題。滑環的主要組成部分包括導電環、電刷以及絕緣支架...

伺服電機滑環是一種用于電機與轉動部分之間傳遞電信號和電力的裝置。它主要用于需要360度連續旋轉的系統中,能夠有效解決傳統電纜在旋轉過程中扭結、磨損的問題。滑環的主要組成部分包括導電環、電刷以及絕緣支架...

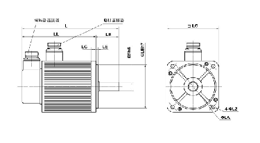
伺服電機以其高精度和高響應性廣泛應用于各類機械設備中。選擇合適的伺服電機尺寸是確保系統性能和效率的關鍵因素之一。伺服電機的尺寸選擇關乎系統的整體性能與效率。

伺服電機的測試標準和測試方式是確保其性能和可靠性的關鍵環節。通過合理的測試,可以有效地評估伺服電機的工作狀態,為其在各類應用中的表現提供保障。伺服電機的測試方法也將持續優化,以適應更為復雜的應用需求。

伺服電機作為關鍵驅動元件,其性能直接影響到整個系統的精度和效率。而伺服電機的編碼器則是其關鍵組成部分,負責實時反饋電機的轉動位置和速度。編碼器在長期使用中可能會出現故障,影響電機的正常運行。
