槽型光電傳感器的工作原理是:紅外發射器和紅外接收器集成在光電傳感器中。 發射器和接收器位于U形凹槽的兩側,并形成光軸。 當檢測到的物體通過U形凹槽并阻擋光軸時,光電開關將生成檢測到的開關信號。 插槽式光電開關相對安全可靠,適合檢測高速變化,區分透明和半透明物體,并可以調節靈敏度。 當檢測到的物體通過時,由光學U形電開關的紅外發射器發出的足夠量的光被反射到紅外接收器接收器,并且光電開關生成開關信號。
GL5-F/43A/115描述:
GL5小型光電槽型開關體積小巧,光學性能出眾。滿足半導體工業微型物體的檢測需求。在同類產品中具有DC 5-24 V的寬電壓范圍和高達5 kHz的最快開關頻率。內部集成的聚焦孔使光電開關能檢測尺寸為0.8 x 1.8 mm的微型物體。光電開關提供NPN或者PNP輸出。多樣且優化的外殼使光電開關最大程度地適用于擁擠環境中。
GL5-F/43A/115相關型號:
GL5-F/43a/115,GL5-L/43a/115,GL5-R/43a/115,GL5-T/43a/115,GL5-U/43a/115,GL5-Y/43a/115,GL5-J/43a/115,GL5-T/43a/115e,GL5-L/43a/115a,GL5-R/43a/115-5M,GL5-L/43a/115-5M,GL5-Y/43a/115-5M
GL5-F/43A/115應用:
微型槽型光電傳感器,適用于檢測小尺寸零件,U形設計,叉寬5 mm,紅外光,PNP輸出,固定纜線
1.導線檢測
2.凸輪位置檢測
3.移動物體的極限位置檢測
4.膠片檢測
GL5-F/43A/115特性:
?微型設計
?適宜小物體檢測
?開關頻率高
?安裝快速簡單
?清晰的可視LED功能顯示
GL5-F/43A/115結構參數:

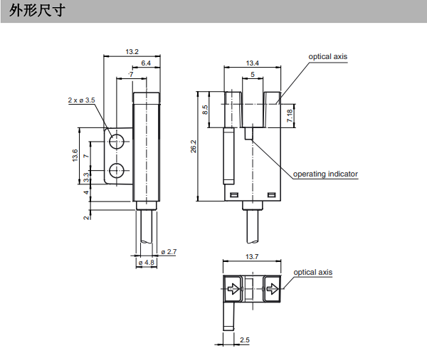
GL5-F/43A/115外形尺寸:


