電感式傳感器NBN8-12GM50-E0工作原理可用于不同的檢測任務。最適合特定應用的傳感原理是由多種考慮因素決定的:包括被檢測物體的材料、應用環境以及檢測距離。如果要檢測的物體具有導電性,例如由金屬制成,并且可以近距離檢測,則建議使用電感式傳感器。
電感式傳感器的作用是使傳感器發出高頻交變磁場。當金屬開關目標接近該磁場時,會通過渦流損耗從交變場中提取能量。此外,鐵磁開關靶會導致再磁化損耗。當達到定義的閾值時,會評估這些損耗并切換傳感器。
產品·特點
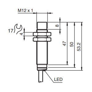
——電感式傳感器NBN8-12GM50-E0產品特性——
●基本系列 ●8 mm非齊平安裝 ●檢測距離增長,更遠的工作距離 ●溫度范圍擴大-40...+85°C ●工作電壓范圍擴大 ●具有多種安裝選擇,使用靈活 |
|
產品·參數規格
——電感式傳感器NBN8-12GM50-E0產品規格——
通用規格——
開關功能:常開(NO)
輸出類型:NPN
額定工作距離:8毫米
安裝:非齊平
輸出極性:直流電
確保操作距離:0...6,48毫米
驅動器件:軟鋼,如1.0037、SR235JR(之前為St37-2)
24mmx24mmx1mm
衰減系數rAl:0,4
衰減系數rCu:0,35
衰減系數r304:0,79
衰減系數rBrass:0,49
輸出類型:3線
額定值——
工作電壓:5...36伏
開關頻率:0...1650赫茲
遲滯:類型5%
反極性保護:反極性保護
短路保護:脈沖式
電壓降:≤1V
工作電流:0...200mA
斷態電流:最大20μA
空載電流:≤10mA
可用前的時間延遲:≤10毫秒
開關狀態指示燈:黃色LED


